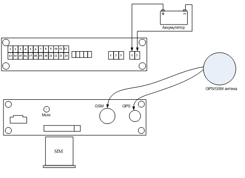
Для работы встроенного в контроллер GPS приемника необходимая внешняя GPS антенна. Подключайте ее к соответствующе обозначенному разъему контроллера.
Конструктивное исполнение антенны выбирается из конкретных условий размещения, типа соединительного разъема SMA.
Используйте активные антенны, с напряжением питания 3v.
Встроенный GSM модем может работать с любой внешней антенной рассчитанной на диапазон 900-1900 мГц.
!!! Категорически запрещается пытаться подключать антенну GPS в разъем GSM и наоборот.
Для обеспечения работы устройства необходимо подключить внешнюю антенну к GPS и GSM разъёмам, вставить SIM карту, подать на контроллер бортовое питание.

Это позволит Вам контролировать местоположение транспортного средства, пройденное расстояние, маршрут движения, расчётный расход топлива, определять скорость и направление движения.
Для обеспечения голосовой связи, к блоку необходимо дополнительно подключить динамик, микрофон, а также от магнитофона вывод “Mute” (при наличии магнитофона). Это позволит на время звонка выключить звук у магнитофона в кабине и обеспечить двухстороннюю связь между диспетчером и водителем.

Для контроля за временем стоянки с включённым двигателем, а также для подсчёта моточасов необходимо подключить обмотку возбуждения генератора к контроллеру. Вместо обмотки возбуждения генератора, можно подключиться к любому проводу, на котором появляется напряжение, при включённом двигателе.

Для контроля за уровнем топлива в баке подключитесь к штатному датчику уровня топлива. Это позволит Вам фиксировать места заправки и слива топлива (если такие имеются), а также контролировать уровень топлива в баке. Для этого необходимо сигнал со штатного поплавкового датчика уровня топлива подвести либо к контакту одиннадцать, либо к контакту номер двенадцать. Аналоговый сигнал с датчика поступает на вход контроллера, преобразуется и передаётся на сервер. !!!Сигнал с датчика должен быть не импульсный, а аналоговый.

Если Вам необходимо контролировать температуру, влажность, давление и т. п., возможно подключение аналогового датчика к одному из контактов разъёма (контакты №11,12). При этом преобразованный параметр будет поступать на один из каналов АЦП контроллера, а далее на Сервер.


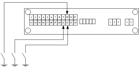
Если Вы желаете подключить кнопку экстренной ситуации (“Тревожная кнопка”), либо внешние электронные устройства, у которых в выходных цепях имеются нормально разомкнутые контакты, например, автомобильная сигнализация, открытие/закрытие дверей кузова и т.д., с целью контроля за их состоянием, необходимо подключиться к одному из контактов разъёма (10, 21, 22).

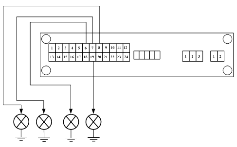
Если Вам необходимо при возникновении какого-либо контролируемого события включить исполнительное устройство (смотри руководство на программное обеспечение), необходимо подключиться к одному из контактов разъёма (к контактам 6, 7, 8, 19).
!!!Ток потребляемый цепью включения/выключения исполнительного устройства должен быть меньшим либо равным нагрузочной характеристике выходов контроллера (смотри раздел Разъёмы и индикаторы).

Спасибо
Ваша заявка отправлена